The world's largest supply platform for sources of shortages and hard-to-find parts

Resources

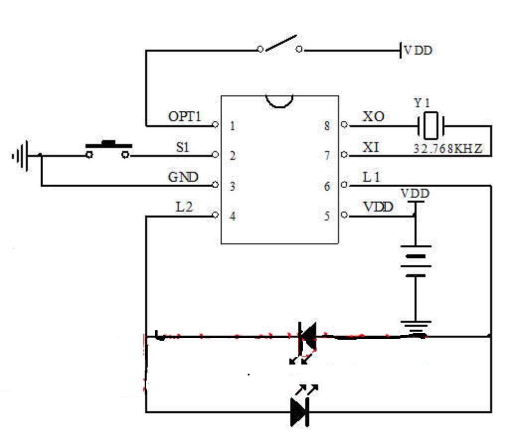
IC chip timing light string

CMOS process, low power consumption. Wide working voltage, strong anti-interference ability.

Download ECD03 Eight-mode Timing Light String IC IC Chip
Design of pcba circuit control board

The demand for small fans is increasing, and the small fan circuit board scheme is very practical.

Download Consumer Electronics
Infrared Induction Control System of AVR Microcontroller

Use infrared induction system to sense whether there is harmful gas nearby.

Download Security monitoring
Software and Hardware Development of Single Chip Microcomputer

Application scenario: electronic scale, single chip microcomputer development.

Download Smart home
Single chip Bluetooth BLE, 2.4G

Specification and model: CA001 Package specification: SOT-23

Download Consumer applications
The Scheme of Automatic Pet Feeder

The pet feeder pcb structure is a single panel.

Download Software development
TPS60241DGKR power management chip package VSSOP 8 batch 22

The TPS6024x is a switched capacitor voltage converter for VCO and PLL applications providing low noise conversion and tight tolerances.

Download Power management chip